StrataRise 1250FL-DF Flexi-Level Joist Support Cradles
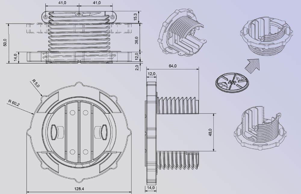
The Flexi-Level Joist Support Cradle is adjustable from 12mm to 50mm (1/2" to 2") - height can be increased with 20mm (3/4") extensions
The Flexi-Level Cradle is a simple, functional Joist Support, with levelling, which can be used to provide a mounting system for floors & decking.
Adjustment range is from 12mm to 50mm (½" to 2"), which can be increased with optional, clip-in, 20mm (¾") high base extenders (sold separately).
The cradles provide a fast and easy solution for levelling joists for flooring and decking. They are designed for use with up to 2 inch nominal (44 to 48mm) wide timber, metal or composite joists.
- Easy and quick to use and adjust. The adjuster ring has been designed to provide easy handling.
- The deep thread has been designed to provide extra strength, to prevent cross-threading and to allow fast adjustment.
- There is a provision for fixing the cradle to the joist after adjustment, if desired, to allow lifting of the joists to insert interim supports, etc, without losing the cradle position and level.
- The cradle has drainage outlets in all compartments so water cannot collect and become stagnant. Effectively raises beams above the surface, preventing saturation and reducing potential for rotting.
- A, clip-in, moulded acoustic base pad, supplied as standard with every cradle, provides cushioning and protection when used on top of membranes – it incorporates water drainage channels.
- The height range can be increased by using one or more, optional, clip in, 20mm (3/4") high extensions.
The Flexi-Level support cradle is rated for an average maximum load of 365 lb (166 Kgf). Using a recommended minimum of 6 to 8 supports per square meter, this is equivalent to 243 to 324 lbs/ft².
The adjustable cradles provide a fast and easy solution for levelling and supporting joists for internal flooring and decking on balconies, roof terraces and on any other firm surface. They are designed for use with standard 2" (44 to 48mm) wide joists, keeping them above the roof deck or base substrate and, importantly for exterior applications, above the drainage level of the roof or base.
The clip-in moulded base pad helps to spread and soften the impact of the imposed load. This also has acoustic properties and helps to reduce transmitted noise. The support cradles are simple to install and adjust to allow for falls and irregularities.
The support cradle is also designed for use on uneven and out of level floors. The unique design enables the soft sprung feel of a timber floor to be achieved over concrete sub bases. The cradle allows for fast installation by removing the need for leveling screeds and the slow drying times normally associated with cement based products.
The void created by the support cradles can provide useful space for insulation and can also be used for service runs of electrics, piping, etc.
The system is ideal for use in fast track building programs or conservatory floors.
This product is also useful for levelling garden sheds with 2" or smaller support beams underneath. An additional advantage is that the shed base is raised above the ground level thus improving ventilation and helping to prevent damp and wood rot.

Technical Data

Frequently Asked Questions
What is the load capacity of a single Flexi-Level cradle?
Each cradle is rated for an average maximum load of 365 lb (166 kg). Using the recommended 6-8 supports per square meter provides a safe distributed load capacity for most decking and flooring applications.
Can I use these pedestals on a waterproof membrane or insulation?
Yes. The included clip-in acoustic base pad provides cushioning and protection for membranes. The unique design is specifically intended for use on uneven and out-of-level floors, removing the need for leveling screeds and the slow drying times associated with cement-based products.
How do I extend the height beyond 50mm?
The standard height range is 12-50mm. You can increase this by adding one or more optional, clip-in 20mm (3/4") high base extenders (product ref: 1250FL-EXT20). These simply clip into the base of the cradle.
What size joists are these cradles designed for?
The Flexi-Level cradles are designed for use with standard 2" (44 to 48mm) wide lumber or composite joists. The cradle design securely holds joists within this size range.
Do these cradles require any special tools for installation?
No special tools are required. The cradles are designed for hand adjustment using the ergonomic adjustment ring. The clip-in extensions also require no tools for installation.
Where can I purchase Flexi-Level cradles and extensions?
You can purchase StrataRise 1250FL-DF Flexi-Level Joist Support Cradles directly from our secure webshop. Both the cradles and 20mm extensions are available in multiple pack sizes with quantity discounts for larger projects.
